Магазины сантехники в Москве и Подмосковье

Каталог

Меню

Насос циркуляционный STI CR 32/8-180

Цена: Розничная цена: 6 400 руб.
Под заказ

Артикул: ТТ000014431

Уточнить цену
Кол-во / ед.

Описание:

Насос циркуляционный STI CR 32/8-180 с «мокрым» ротором предназначен для создания принудительной циркуляции жидкости в одно- или двухтрубных системах отопления при стабильном или слабоменяющемся расходе. Категорически запрещается перекачивание насосом загрязненной воды, содержащей абразивные вещества. Насосы нельзя использовать в системах, связанных с питьевым водоснабжением и областях, связанных с продуктами питания.

Преимущества циркуляционных насосов - это малые габаритные размеры, установка непосредственно на трубопроводе, а также бесшумная работа и большой срок эксплуатации. Монтаж насосов прост и удобен.

Общие параметры насоса STI CR 32/8-180:
Производитель - STI
Страна производитель - Китай
Вид насоса - поверхностный
Тип насоса - циркуляционный
Механизм насоса - центробежный
Тип ротора - мокрый
Максимальное рабочее давление - 10 бар
Максимальная температура рабочей среды - 110°С
Минимальная температура рабочей среды - -10°С
Максимальная температура окружающей среды - 40°С
Среда - вода техническая, водно-гликолевые растворы
Срок гарантии производителя - 24 мес
Срок службы - 60 мес
Вес - 5.55 кг
Технические параметры насоса STI CR 32/8-180:
Диаметр всасывающего патрубка - 32 мм
Диаметр напорного патрубка - 32 мм
Напряжение питания - 220 В
Потребляемая мощность - 233 Вт
Напор - 8 м вод. ст.
Производительность - 71 л/мин (4260 л/час)
Степень защиты - IP44
Насос циркуляционный STI CR 32/8-180
Насос циркуляционный STI CR 32/8-180
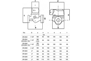
Габаритные размеры насоса STI CR 32/8-180:
G - 2"
a - 180 мм
b - 115 мм
c - 175 мм
d - 135 мм
e - 140 мм
f - 100 мм
Материалы деталей насоса STI CR 32/8-180:
Класс материала корпуса - чугун
Класс материала корпуса электродвигателя - Алюминий
Класс материала крыльчатки - Пластик
Материал крыльчатки - GF-PP
Класс материала подшипников - керамика
Класс материала вала насоса - керамика

Характеристики

Производитель STI
Вид циркуляционные
+7 (960) 693-32-00